♦ Pro mlynářství znamenaly převrat. Těmito stroji bylo možno dosáhnout zlepšení kvality moučných produktů, urychlení mlecího procesu a většího výtěžku bílé mouky.
Konstrukce
♦ opláštění (litinová skříň, dřevěná skříň – starší typ)
♦ nosná konstrukce stroje
♦ podávací část
♦ mlecí část (válce)
♦ seřizovací mechanismus
♦ signalizace
♦ ometací část (pod válci)
♦ výskok (výpad ven)
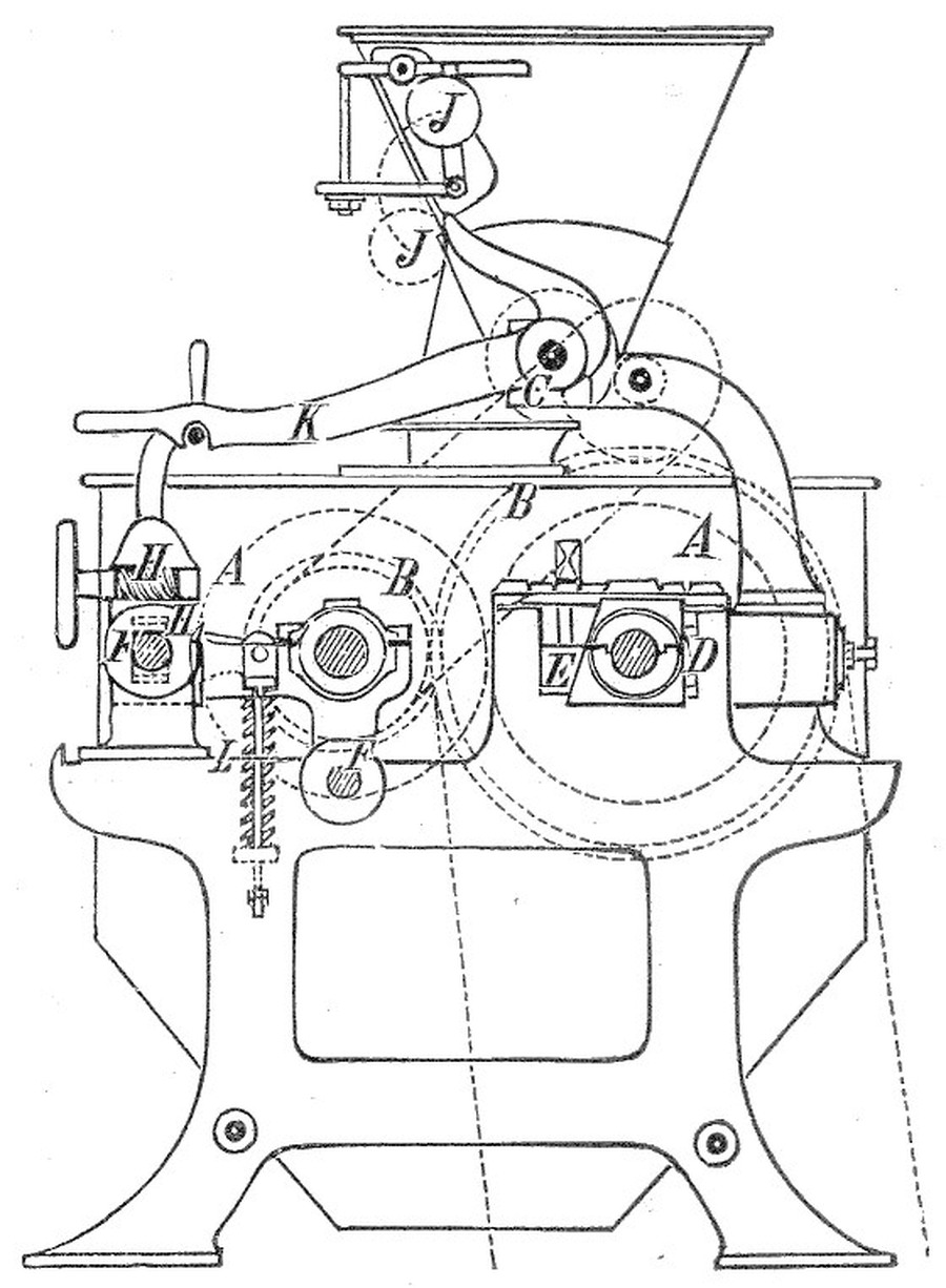
Konstrukce - popis


1. seřizovací mechanismus
2. klapka signalizace
3. uzavíratelná stavítková klapka
4. řemenice pohonu podávacího válečku
5. zvonek – signalizace
6. hřídel a převod podávacího válečku
7. řemenice pohonu mlecích válců
8. ozubený převod mlecích válců, převodová diference: 1 : 2,5
9. ložiska uložení hřídelů válců
10. opláštění (dřevěná skříň)
11. konstrukce nosná
♦ Válce se otáčí na hřídelích uložených v kluzných ložiskách, které vystupují po obou stranách skříně stolice ven. Na jedné straně bývají na hřídelích válců ozubená kola. Jedno je vždy menší a to se otáčí zhruba 2 – 2,5 x rychleji u šrotovací stolice, 1,2 – 1,5 x rychleji u hladké nebo porcelánky, nežli druhé větší.
Doplňme, že pokud se válce otáčejí stejnou rychlostí, dochází pak jen k rozmáčknutí zrn a nikoliv k rozemletí (mačkací stolice).
Na druhé straně hřídele rychlejšího válce je osazena plochá řemenice, poháněná řemenem z transmise.
Válce měly různé délky, různé průměry a různé otáčky (cca od 240 do 300 ot./min, optimum 240 – 260 ot./min). Materiál rýhovaných válců byla tvrzená skořepová litina.
♦ Jeden z válců bývá usazen v pohyblivých ložiskách, což umožňuje přes speciální seřizovací mechanismus (šroubový systém, výstředníky a soustava pák) nastavit šířku mlecí mezery mezi válci.
♦ Důležité je i tzv. vyrukování - mechanismus s pružinami. Měl za úkol v případě vstupu nežádoucího kovového předmětu mezi válce jejich oddálení od sebe, protože jinak by došlo k poškození a nebo by jiskry způsobily požár mlýna.
♦ Pod válci nalezneme škrabák. Slouží k ometání válců ze spodu a zamezuje tak nabalení vrstvy meliva. U válců rýhovaných a hladkých to bylo dřevěné prkénko s husími brky, u porcelánových pak plechový škrabák. Na válce jsou přitlačovány přes rameno a závaží, popřípadě pružinami.
♦ Dále byla potřeba zajistit rovnoměrné dávkování meliva z násypkového zásobníku do stolice tak, aby nedošlo k zahlcení stroje. To umožnil malý, hluboce rýhovaný váleček s uzavírací klapkou (stavítkem). Svým pomalým otáčením dávkoval melivo mezi válce. Tyto válečky mohou být i dva. Poháněn je řemenicí přes řemínek spojený s řemeničkou na hřídeli jednoho z válců, popřípadě ještě i přes malý ozubený převod do pomala.
♦ Zařízení tzv. signalizace - mlecí stolice by neměla pracovat na prázdno a proto, dosypala-li se první část zásobníku,vlivem snížení váhy docházejícího meliva se pootočila malá klapka s protizávažím a přes páčku spustila zvonek. Popřípadě došlo k rozpojení spojky podávacího válečku (přestal se otáčet) a také k oddálení mlecích válců od sebe, aby nedocházelo k jejich opotřebení. (Válce jsou při chodu na prázdno vlivem pružin semknuty mírně k sobě.) O zvonek cvakal pružný trn nasazený na otáčející se hřídeli podávacího válečku.
Obsluha byla zvukem upozorněna a mlynář si otevřel hradící klapkou (šoupátkem) druhou část plného zásobníku.
Dodejme, že na starých typech stolic můžeme objevit ozubená kola typu litinových věnců s vsazenými dřevěnými zuby (palci).
Jednalo se o řešení z důvodu snížení vibrací, rázů a hlučnosti, dále pak z pojistných důvodů proti přetížení → vylomením zubů a s tím spojené snadné výměně po havárii.
♦ Staré typy stolic vyráběných do r. 1910 měly dřevěné opláštění, tzv. skříň a válce vedle sebe. Od r. 1890 výrobci začali zavádět výrobu celokovových stolic s litinovou skříní s válci šikmo vedle sebe, nebo pod sebou.

Detail – seřizovací mechanismus válců vedle sebe. Obrázek z časopisu Mlynář, 1905.

Detail: zleva: převod válců, uprostřed: válce s uložením a převody, zprava: podávací část – mlýn Světce čp. 13 (JH), restaurování, D. Veverka 2012.
Schéma
1. zásobník meliva
2. klapka signalizace
3. podávací váleček
4. pomalejší válec
5. rychlejší válec
Pod válci jsou ometací škrabáky a odchod (výskok) rozemleté směsi ze stolice.

Konstrukce stolice Hübner – Opitz Pardubice, r. 1890, časopis Mlynář 1890.

Ukázka usazení stroje ve mlýně, kresba: D. Veverka 2012.
Šrotovací (mlecí) stolice
♦ válce rýhované
♦ Rozemele zrno na směs složenou z krupic, krupiček, šrotů, druhů mouky a otrub. (Záleží na počtu průchodů meliva přes válce – projde přes ně vícekrát.)
Velké automatické mlýny mají pro každý jednotlivý průchod samostatně vlastní mlecí stolici s příslušným rýhováním.
♦ Princip stroje:
Melivo se dostane přes podávací váleček ze zásobníku mezi válce, kde je vlivem jejich rozdílné rychlosti roztrženo – rozemleto.
♦ Rýhování válců je různé, záleží na druhu a potřebné výsledné hrubosti mletého produktu (meliva).
♦ Stolice jsou buďto zvlášť pro mletí pšenice, zvlášť pro mletí žita, nebo universální (tj. pšenice i žita)
U mlýnů s jednou stolicí se veškeré mlecí chody (průchody přes válce) a druhy obilí semílaly na jedněch válcích s jedním typem „universálního“ rýhování, což mělo vliv na snížení kvality výsledných produktů.
♦ Větší mlýny s více stroji jednotlivé druhy a chody mletí rozdělují na stolice s příslušným rýhováním válců.
♦ Každá stolice má seřizovací mechanismus, jenž umožňuje nastavení šíře mlecí mezery mezi oběma válci. Mlynář si mohl stroj tak dle potřeby seřídit (obdoba lehčení u mlecích kamenů).
- Pozn. → Pojem „šrotovací stolice“ se uvádí hlavně u již zmíněného universálního rýhování válců. Stolice zvlášť pro mletí žita a zvlášť pro mletí pšenice pak bývaly uvedeny, jako „mlecí stolice žitná“, nebo „mlecí stolice pšeničná“. Všechny stroje pracují na stejném principu, avšak liší se zde rýhování jejich válců.

zleva: mlecí stolice r. 1902, válce rýhované, fa Amme, Giesecke und Konegen - Braunschweig, obrázek z firemního katalogu, vpravo: dochovaný příklad stolice od fa UNION a. s., České Budějovice cca z r. 1915, mlýn čp. 40 (dolní) Roztoky u Semil (SM), foto: D. Veverka 2010.
Stolice pro luštění krupic (vymílací)
♦ válcová stolice hladká → válce nerýhované, kovové – hladké
♦ válcová stolice „ Porcelánka“ → válce porcelánové hladké (starší typ)
♦ 1. Provádí tzv. luštění krupice, neboli krupici se zbytkem otrubnaté slupky rozmáčkne a tím dojde k jejich oddělení se od sebe.
2. Čisté krupice rozmělní na menší částice.
♦ Princip stroje:
Přes podávací zařízení se mezi válce dostanou částice meliva, kde je funkce provedena vlivem rozdílné rychlosti mezi oběma válci. Šířka mlecí mezery mezi válci se dá nastavit přes seřizovací mechanismus.
zleva: mlecí stolice s porcelánovými válci od fa Hoerde a Comp. – Vídeň, r. 1885, obrázek z firemního katalogu, zprava: „ porcelánka“ typu Wegmann, asi r. 1888, mlýn Javorníček čp. 8 (UO), foto: D. Veverka 2010.
Stolice čtyřválcová – tuplovka
♦ Je jeden stroj, kde jsou v podstatě dvě stolice dohromady. Má čtyři válce, avšak každá z dvojic je oddělená a pracuje zcela samostatně.
♦ Hlavní důvod řešení - ušetření místa a snížení ceny za stroj.
♦ Stroj může mít:
- jednu dvojici hladkých, popřípadě porcelánových válců a druhou dvojici válců rýhovaných (nejčastější řešení)
- dvě dvojice rýhovaných válců
- dvě dvojice hladkých válců, nebo porcelánových válců
zleva: tuplovka, válce porcelánové / rýhované z r. 1890 od fa B. Říha – Plzeň, obrázek z katalogu firmy, vpravo: tuplovka - válce rýhované / hladké, fa Prokop a synové Pardubice, z 30. let 20. stol., mlýn Zářičí čp. 21 - Doležalův (TA), D. Veverka 2011
Domílací stolice
♦ Typově se jedná o mlecí stolici s rýhovanými válci, avšak mají jiné rýhování.
♦ Určená je pro tzv. domílku v mlecím procesu, neboli oddělení tmavých mouk a koncových produktů od zbytkových otrub.
♦ Princip stroje:
Stejný, jako u šrotovací (mlecí) stolice.
♦ Jako samostatný stroj se používala ve větších mlýnech, v malých provozech se i domílka odehrávala na jedné stolici, popřípadě na mlecích kamenech.
Mačkací stolice
♦ s rýhovanými válci → Provede hrubé rozdrobení zrna (předmletí). Tato hrubá drť je vedena na další mlecí stolice na semletí.
♦ s hladkými válci → Rozmáčkne zrno na vločku.
♦ Princip stroje:
Melivo se dostane přes podávací váleček ze zásobníku mezi válce, mezi nimiž je větší mlecí mezera a vlivem jejich stejné rychlosti se zrno rozdrobí na hrubou drť a nebo rozmáčkne na vločku.
♦ Stroj na první pohled poznáme tak, že na obou hřídelích válců jsou naklínována ozubená kola stejného průměru a mají oválný kryt.
♦ Stroj našel uplatnění většinou na větších mlýnech s několika stolicemi.
Mačkací stolice, fa Josef Prokop a synové Pardubice, 30. léta 20. stol., Panský mlýn čp. 78 ve Vysokém Mýtě (UO), foto: Radim Urbánek 2007.
Parametry určení stroje
Při poznávání strojů bychom si měli všímat těchto informací:
♦ výrobce, popřípadě i rok výroby (štítek na stroji)
♦ typ stroje
♦ rozměry stroje
♦ otáčky, obvodová rychlost
♦ rozměry válce → např. 300 x 600 = Ø válce 300 mm, délka 600 mm
♦ rýhování → počet rýh na 1 cm

Detail - zleva: povrch rýhovaného válce, uprostřed: povrch hladkého válce, zprava: povrch porcelánového válce.
Vývoj a historie
♦ První stroje zkonstruovány ještě před 30. léty 19. stol., avšak příliš se neosvědčily.
♦ Švýcarský inženýr Wegmann navrhl typ stolice s porcelánovými válci pro luštění krupice, která byla již schopna spolehlivě pracovat, patent získal v r. 1873. V následujících letech postupně řadou konstruktérů a firem vylepšována.

Jedna z nejstarších stolic typu Wegmann. Zleva: obrázek z katalogu fa Antonín Weiss, časopis Mlynář r. 1885, zprava: dochovaný příklad stroje ve mlýně Horky čp. 40 (UO), restaurování a foto: D. Veverka 2012.
♦ V r. 1875 navržena první spolehlivá mlecí stolice s válci rýhovanými, nadále vylepšována.

Mlecí stolice s rýhovanými válci z r. 1890, fa J. Hübner -K. Opitz - Pardubice, mlýn Světce čp. 13 (JH), D. Veverka 2012.

Mlecí stolice s rýhovanými válci z r. 1892 od fa Bohumil Říha Plzeň, obrázek z katalogu firmy.
♦ Uveďme příklady prvních strojíren zabývajících se výrobou mlecích stolic: Hoerde a Comp. - Vídeň, Ganz a Comp. - Budapešť, Friedrich Wegmann – Zürich a Vídeň, Amme, Giesecke und Konegen – Braunschweig.
♦ Na výrobu na území Česka byla specializována řada různě velkých firem, které množstvím patentů a konstrukčních zlepšení přispěly k rozvoji mlýnské techniky celosvětového významu.
Z těch nejvýznamnějších uveďme: J. Prokop – Pardubice, J. Hübner a K. Opitz - Pardubice, J. Kohout – Praha Smíchov, J. Prokopec – Praha Vinohrady, J. Škrland, později UNION - České Budějovice.
♦ Na českém území byl vůbec poprvé vybaven stolicemi mlýn v r. 1875 ve Vysokém Mýtě, o rok později v Lovosicích a v Praze na Smíchově. Stolice se většinou začaly osazovat nejdříve na větších městských mlýnech.
Malé vesnické mlýny pak většinou modernizovány na „válce“ až na přelomu 19. a 20. stol. z důvodu vyšších pořizovacích nákladů (bylo zapotřebí zakoupit ještě další stroje mlýnské, úprava mlýnice atd.). Mlynář často zakoupil starší typy strojů již použitých z větších mlýnů, kde probíhala modernizace.
♦ Na malých mlýnech z důvodu nedostatku pohonné síly, nebo financí mleli často jen na jedné stolici, na které se odehrávalo veškeré mletí.
♦ Mlýny osazené stolicemi mlynáři označovali cedulemi "Válcový mlýn", "Walzmühle" německy v pohraničí, jako znak zlepšení technologie a zkvalitnění výsledných produktů.
Orýhování, opravy válců
♦ Všechny typy válců se časem opotřebují.
♦ Proto bylo nutno stolici jednou za čas rozebrat a válce vyjmout.
- Rýhované kovové válce → narýhovány na rýhovačkách (speciální hoblovka s posuvy).
- Hladké kovové válce → obrušovaly (orovnávaly se nepravidelnosti) na bruskách.
- Hladké porcelánové válce → orovnávány diamantem, tvrdokovem.
♦ Tuto činnost provádělo mnoho velkých firem (např. J. Prokop – Pardubice), i malé specializované dílny (např. F. Falta – Slaný, Kvíček).

Rýhovačka válců, fa Hoerde a Comp. - Vídeň, r. 1890, obrázek z katalogu firmy.
Moderní stolice – současnost
♦ Princip strojů zůstal nezměněn, avšak upraveny byly některé konstrukční detaily, používají se jiné materiály, přibyly senzory a prvky elektronické automatizace.

Válcové mlecí stolice současnosti od výrobce Šenovka – Pardubice, zprava: typ MSM tuplovka, zleva: typ MSAP3, obrázky převzaty z katalogu firmy.